產品說明
這是個夾持在虎鉗上使用的小型分度頭
比起傳統固定式的分度頭,我們的簡易分度頭可以大大省下安裝的時間,只要放上虎鉗即可開始設定角度位置。

使用用途:
- 少量卻又需要多角度變化的棒狀工件物加工
- 表面研磨機,也可用於標記作業等
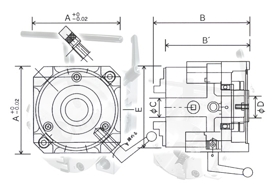
| 型號 | A | B | B' | CΦ | DΦ | E | 分割数 |
| 內孔徑 | 爪頭固定方式 | 重量 | |||||
| CD-312 | 110 | 124 | 109 | 16 | 18 | 內外3英寸硬爪 | 12 |
| 10分迄 | 前孔型 | 約7kg | |||||
| CD-412 | 130 | 143 | 125 | 32 | 32 | 內外4英寸硬爪 | 12 |
| 10分迄 | 前孔型 | 約9kg | |||||
| CD-624 | 180 | 176 | 149 | 45 | 60 | 內外6英寸硬爪 | 24 |
| 10分迄 | 前孔型 | 約20kg | |||||
| CD-412F | 130 | 156.5 | 124.5 | 32 | 32 | 軟硬通用4英寸型 | 12 |
| 10分迄 | 前孔型 | 約10kg | |||||
| CD-424F | 130 | 156.5 | 124.5 | 32 | 32 | 軟硬通用4英寸型 | 24 |
| 10分迄 | 前孔型 | 約10kg | |||||
| CD-624F | 180 | 191 | 150.5 | 45 | 60 | 軟硬通用6英寸型 | 24 |
| 10分迄 | 前孔型 | 約21kg |

固定尾座
用於輔助分度頭尾部的固定座
此固定尾座有相對應高度以及精密研磨的底面
固定把手可以左右邊交換
| 型號 | 重量 | 高度・端面 |
| CD-412用 CTS-65 | 8.5kg | 兩個都是中心點65mm |
| CD-624用 CTS-90 | 9.5kg | 兩個都是中心點90mm |



